Gazeevite 的矿物

共 7 张图片

单日访问量:1849 总访问量:23657
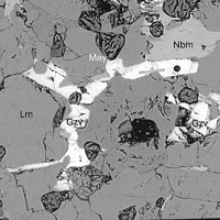
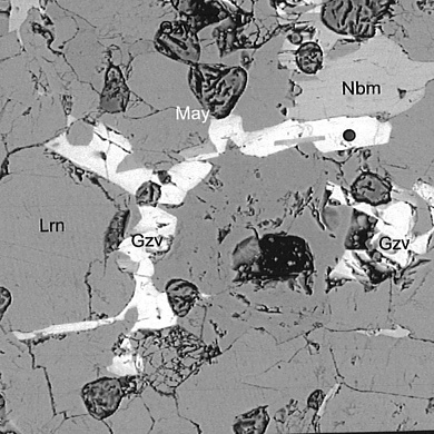
Gazeevite Gazeevite Gazeevite, Larnite, Fluorellestadite Gazeevite, Larnite, Fluorellestadite Gazeevite, Larnite, Nabimusaite Gazeevite, Larnite, Nabimusaite Gazeevite, Srebrodolskite Gazeevite, Srebrodolskite Gazeevite, Srebrodolskite Gazeevite, Srebrodolskite Gazeevite, Srebrodolskite Gazeevite, Srebrodolskite Gazeevite, Srebrodolskite Gazeevite, Srebrodolskite